对于自主车辆无线电链路的进化已经变量。规格如5.9 GHz的数字短程通信(DSRC)开始作为车辆与基础设施(V2I)系统路费,并已转移到采取其他基础设施的应用,如速度限制提供的信息,使相机都没有检测路牌需要。
然而,频段分配有世界各地的变化,而不是有广泛的基础设施V2I有限的自主操作使用无线电技术。从路边单元(受限制股份单位)的数据可以通过提供速度极限的数据和其他有用的信息,如位置,速度和附近车辆的方向,可能围绕在那里它们不是通过其他方式可见的拐角有助于自主控制系统。然而,数据不总是可从一个RSU所以其它检测系统,例如相机可以被用于车辆在未送达的道路行驶。这被看作是增加了开发成本和复杂性。
其结果是,在无线链路的要求还没有被视为一个独立的车辆的操作的,直到最近的重要组成部分。而初始的发展集中于自主控制系统,更近的设计已经承认用于许多不同的应用中的无线链路的需要。
这些应用程序从下载了最新的地图数据,使得车辆确切地知道,就是要,以接收来自其他车辆的交通信息而变化。无线链路也可以使用关于'platooning',允许车辆,通常是卡车,以维持彼此的恒定距离。

图1:通用汽车是第一个汽车制造商使用数字短程通信的一个车辆之间的联系,开始与2016年底的凯迪拉克CTS模式。
虽然汽车制造商,如通用汽车公司已经采用了DSRC在2016年年底推出的凯迪拉克CTS,LTE蜂窝也正在研究作为一个可能的无线连接技术。
然而,LTE网络的等待时间仍然是一个问题,尤其是对于V2V应用程序。从一台车辆数据从LTE模块行进到基站,通过运营商网络,反向通过相同的基站附近的车辆。DSRC直接行驶的车辆之间。

图2:DSRC的不同用途和蜂窝无线链接,自主车(礼貌NXP)。
所以不是,被用于在无人驾驶汽车的乘客提供信息和娱乐服务,而基于DSRC-V2X子系统用于发送安全数据基于LTE的信息娱乐子系统。信息娱乐子系统将建成一个价格,和V2X子系统将建成以加密,更低的延迟和可靠性的关键功能的标准。
例如,沃尔沃使用802.11p无线技术直接从前方车辆传达给其他两个'排'在欧洲从动三辆卡车。该通信系统被直接链接到基于雷达的自适应巡航控制系统,以保持车辆之间1秒的差距。这就允许以下卡车自主操作。
在IEEE 802.11p标准使用在5.9 GHz频段(5.850-5.925 GHz)的75 MHz带宽的频道,而DRSC使用5.725 MHz至5.875兆赫。他们都用一半的带宽,或者两倍的传输时间,802.11a的无线网络连接,以允许接收处理回波信号从其他汽车或房屋反映更可靠。
| 参数 | 802.11 | 802.11p |
|---|---|---|
| 信道带宽(MHz) | 20 | 10 |
| 比特率(Mbps)的 | 6, 9, 12, 18, 24, 36, 48, 54 | 3, 4.5, 6, 9, 12, 18, 24, 27 |
| OFDM符号持续时间(微秒) | 4 | 8 |
| 卫队时间(微秒) | 0.8 | 1.6 |
| 序言持续时间(微秒) | 20 | 40 |
| 子载波间隔(千赫) | 312.5 | 156.25 |
图3:802.11a和802.11p(MathWorks的礼貌)之间的差异。
虽然802.11p是DSRC的基础,欧洲的系统目前不完全兼容。因此,标准化是为了确保泛欧的互操作性是必不可少的。
该DSRC技术是从现有的Wi-Fi的802.11ac技术的进步,如赛普拉斯 BCM89359。这是首个Wi-Fi /蓝牙智能2X2 MIMO组合芯片与皇家同步双频(RSDB)的支持,以及一个独立的三模智能蓝牙(4.2版)系统芯片(SoC)的。它已被优化,以满足汽车行业的严格标准和测试AECQ100汽车环境压力的要求,以饱满的生产件批准程序(PPAP)的支持。
该SoC的设计与苹果CarPlay和谷歌自动链接工作,并多带并发汽车信息娱乐和远程信息处理操作使用两套天线在2×2 MIMO架构,性能更高的链路。
为可靠的链接,则802.11p无线设备还需要一个前端。
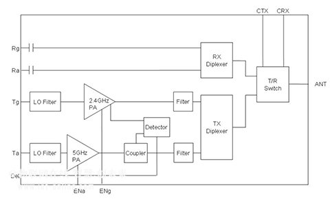
所述SE5503A从Skyworks的是一个完整的的802.11a / b / g / n的无线射频前端模块提供所述功率放大器,滤波,功率检测器,T / R开关,双工器和相关联的匹配的所有功能。

图4:Skyworks的SE5503提供所有用于5GHz的DSRC数据链路前端元素。
该SE5503A提供从收发器的输出到天线中的超紧凑的外形完整2.4和5GHz WLAN RF溶液。所有的RF端口匹配50Ω到简化PCB布局和接口到收发信机的RFIC。该SE5503A还包含了一个动态范围为20 dB的发射器功率检测器,每个发射链。每个功率放大器具有用于开/关控制发射机一独立的数字使能控制。的功率斜坡上升/下降时间小于0.7微秒和前端也从3.260-3.267 GHz和先于每一2.4GHz和5GHz的功率放大器,分别输入3.28-3.89 GHz的提供了一个陷波滤波器。这些用于去除干扰谐波。
这可以用于提高接收机的灵敏度和发射器的性能,降低任何延迟问题和提高的范围内。如果车辆可从另一个轿厢在一个更大的距离获得的数据有更多的时间来做出关于是否减速或制动关键决策。这种能力还可以用于管理流量通过稍微减少在道路上的所有自主车辆的速度,以减少或消除停止启动路况。
加密
也有用于需要的无线链路的加密增加确认,但也有对执行多个不同的架构选择。保护无线链路避免了数据,其中黑客可以给车辆提供虚假数据,例如说服它有一个意外,它需要停止欺骗。LTE系统中已经从在接收器处理解密基站加密。
其中加密发生在DSRC实现为系统开发人员的一个关键问题。该加密的数据包可以在DSRC接收机被解密,或者通过送到中央控制器。在接收机端解密需要更多的处理能力来处理数百万分组的第二和仍保持低延迟。的优点在于,数据包随后可从接收到不同的位置分布,直接发送到地图子系统例如地图更新的报文也可以发送给中央处理单元进行解密,评估和分发。这可以创建在数据I / O并在总线连接,以加密的和未加密的数据在同一网络上行进的瓶颈。这就要求优先,增加了显著的复杂性的系统架构的一个附加的水平。
一种替代的解决方案是标识为直接解密和较低优先级,可以在以后的解码更短的时间依赖性的数据包的高优先级分组的方案。然而,这是那么系统软件问题。
结论
使用802.11p无线的自主车基础上的5 GHz的无线网络和射频前端设计的成熟技术。能够与低延迟带来广泛的机会提高无人驾驶汽车的安全性,以提供RF连接到其它相邻车辆和路边单元。其他车辆和路边网络数据能够及时,高效地提供关键的数据,提供额外的安全性数据,以支持其他传感器。LTE可用于某些数据的应用程序,而开发商则是从2020年开始寻找下一代2.5G无线的LTE和Wi-Fi低延迟技术的融合在自主车辆实际使用。
虽然技术成熟,设计方案仍在评估,特别是对安全性。确保汽车之间行进所有这些数据和限制股份单位是安全的是具有在设计和电子控制单元的发展,功耗和在车辆内的控制器和网络的性能要求有重大影响一个非常重要的要求。这些都是目前正在评估,并在时刻将在2018至20年的时间内推出自主车解决的问题。




























































































































